Skip to content
Home
Browse All
Search
My History
Login
More
Contact Us
About us
Access Statement
Community Archive
Help
Family History
Login
Register
939632
Open/Close Toolbox
Item Type: Maps and Plans
Document Tags
Add
Show tags
Show tags
no tags yet
Linked To
Series
Hikitia, lifting logs, survey books and plans
Tools
Full size thumbnail
Fit to screen
Fit to width
Fit to height
Rotate 90 degrees
Zoom to 100%
Show Text / Transcription
Show keyword hits
Highlight keywords
Download
Add to Collection
Contact us about this
Citation for this item
Welcome
Guest
Login
Property Search
Archives online user guides
Archives online user guide
Demystifying Archives
Suggesting changes and adding tags in Archives online
Research Guides
Cemeteries
Researching Your Property
Union Steam Ship Company
Wellington Street Renumbering 1907-1908
When do Building Permit records date from and why?
Using the Collections
Accessing our collections
Notice about sensitive content
Property Search
Menu
Archives online user guides
Archives online user guide
Demystifying Archives
Suggesting changes and adding tags in Archives online
Research Guides
Cemeteries
Researching Your Property
Union Steam Ship Company
Wellington Street Renumbering 1907-1908
When do Building Permit records date from and why?
Using the Collections
Accessing our collections
Notice about sensitive content
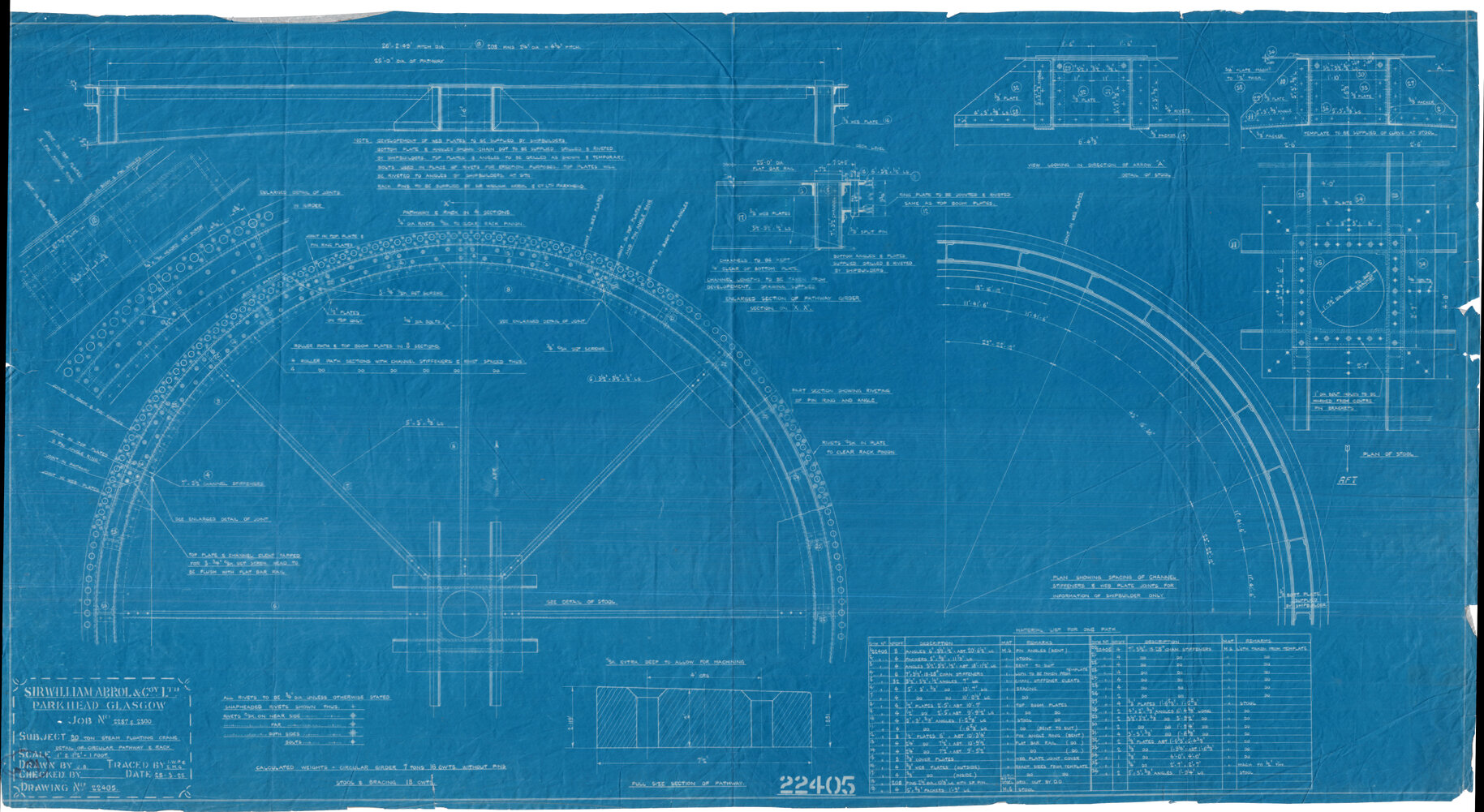
80 Ton Steam Floating Crane, Detail of Circular Pathway and Rack
Expand/collapse
Descriptive Data
Record Identifier
10
Date Range
1925
Description
Sirwilliam Arrol & Company Limited, Parkhead, Glasgow. Job number 2287 & 2300. Drawig number 22405.
Access Information
Restriction Status
Open
Reproduction and Use
Copyright License
Copyright unknown
Citation
Wellington City Council Archives, DX002-10
Related links
Series
Hikitia, lifting logs, survey books and plans
Digitisation Data
Digitisation Status
Born digital
Digitisation Statement
Original loaned to WCC Archives to digitise, as it is not held in the Wellington Harbour Board archives.
OCR
Text
Transcription
Edit
Edit
+
-
Close
Save
Cancel
+ Row
+ Column
Click on the image to add
a tag or press ESC to cancel
80 Ton Steam Floating Crane, Detail of Circular Pathway and Rack
. Archives Online, accessed 26/05/2026, https://archivesonline.wcc.govt.nz/nodes/view/939632