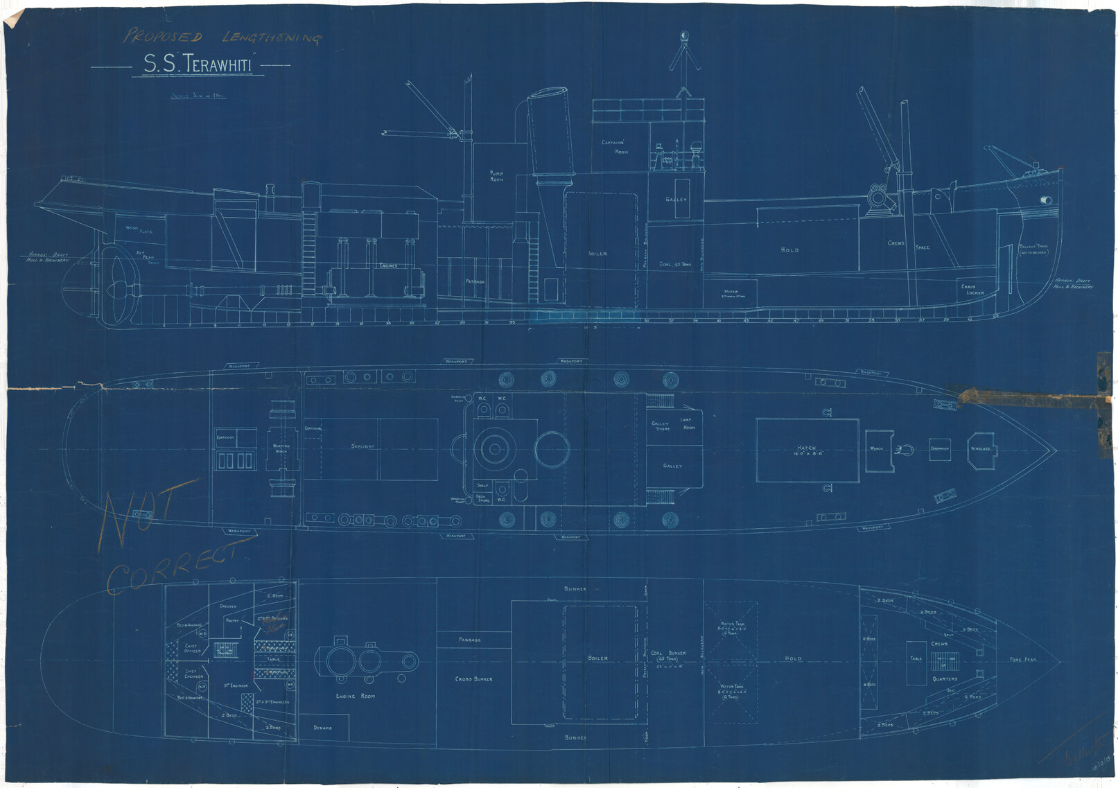
Record Identifier1Date Range1913DescriptionScale: 1/4 inch = 1 foot. Note: annotation at bottom left "Not correct" annotation on rear "Terawhiti general arrangement".MediumPlan
Access Information
Restriction StatusOpen
Reproduction and Use
Copyright LicenseCopyright unknownCitationWellington City Council Archives, AF090-177-1