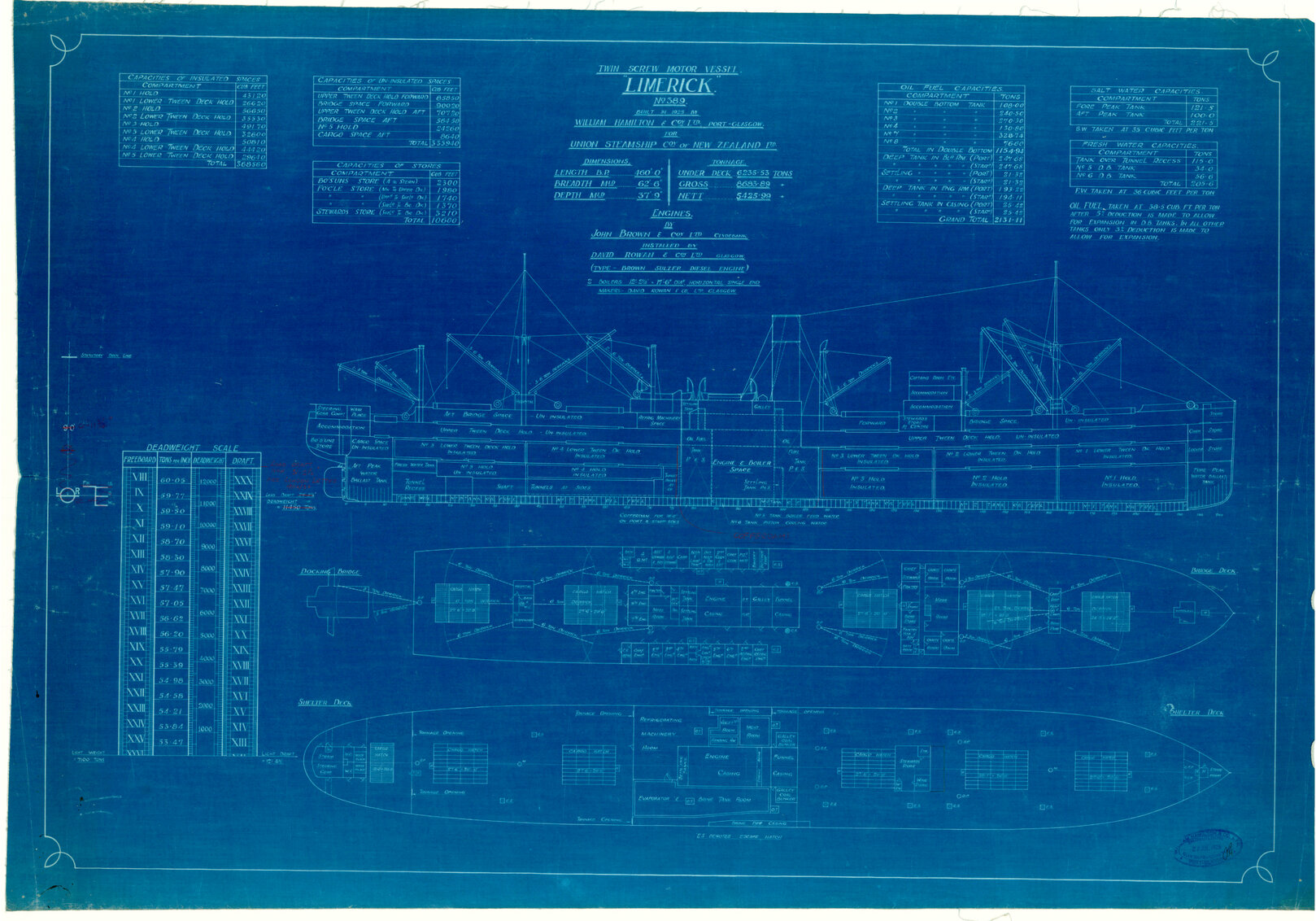
Record Identifier108-4Date Range1925DescriptionWilliam Hamilton & Co Ltd, Port Glasgow for Union Steamship Co of New Zealand Ltd. Ship no. 389.MediumPlan
Access Information
Restriction StatusOpen
Reproduction and Use
Copyright LicenseCopyright unknownCitationWellington City Council Archives, AF090-108-4